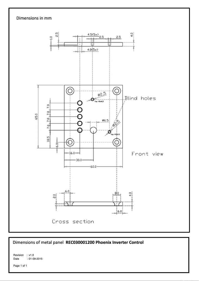
Présentation de la notice : Dessin technique Chargeur de piles Victron Energy Phoenix Inverter
Recherchez parmi les 1 page de la notice : Dessin technique Chargeur de piles Victron Energy Phoenix Inverter pour trouver les informations qu'il vous manque. Vous ne trouvez pas les réponses à vos questions ? Réservez une vidéo assistance en moins de 2 minutes.
Caractéristiques
Marque | Victron Energy |
Modèle | Phoenix Inverter |
Catégorie | Ordinateurs et accessoires |
Type de produit | Chargeur de piles |
Nombre de pages | 1 Page |
Type de fichier |
