Miniature du produit Manuel de l'utilisateur

Manuel de l'utilisateur : Minn Kota Endura Max 40 non catégorisé

Minn Kota Autre Non catégorisé

De quoi avez-vous besoin ?

En validant, je déclare accepter sans réserve les Conditions Générales et la Politique de confidentialité de wenony.lu. En validant les informations, je confirme commander un contrat WeNony Premium au tarif de 0,90 € le premier mois, puis au tarif de 49,00 € par mois avec un engagement de 12 mois. Je confirme être habilité à engager l’entreprise dans ces conditions.

Présentation de la notice : Manuel utilisateur Non catégorisé Minn Kota Endura Max 40

Recherchez parmi les 2 pages de la notice : Manuel utilisateur Non catégorisé Minn Kota Endura Max 40 pour trouver les informations qu'il vous manque. Vous ne trouvez pas les réponses à vos questions ? Réservez une vidéo assistance en moins de 2 minutes.

Caractéristiques

Marque Minn Kota
Modèle Endura Max 40
Catégorie Autre
Type de produit Non catégorisé
Nombre de pages 2 Pages
Type de fichier
Page / 2
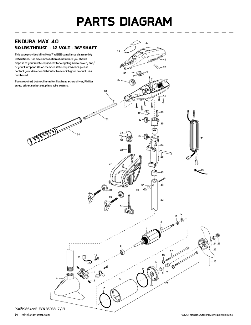
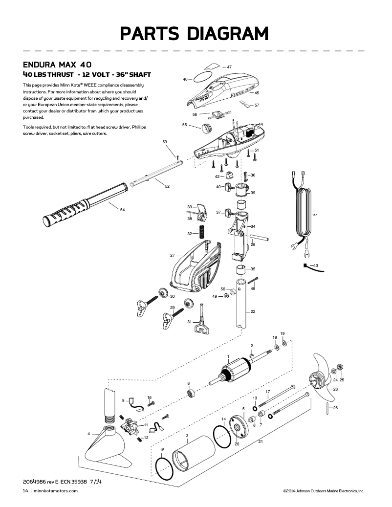
Page n°1 - Manuel utilisateur Minn Kota Endura Max 40