Miniature du produit Schéma de câblage

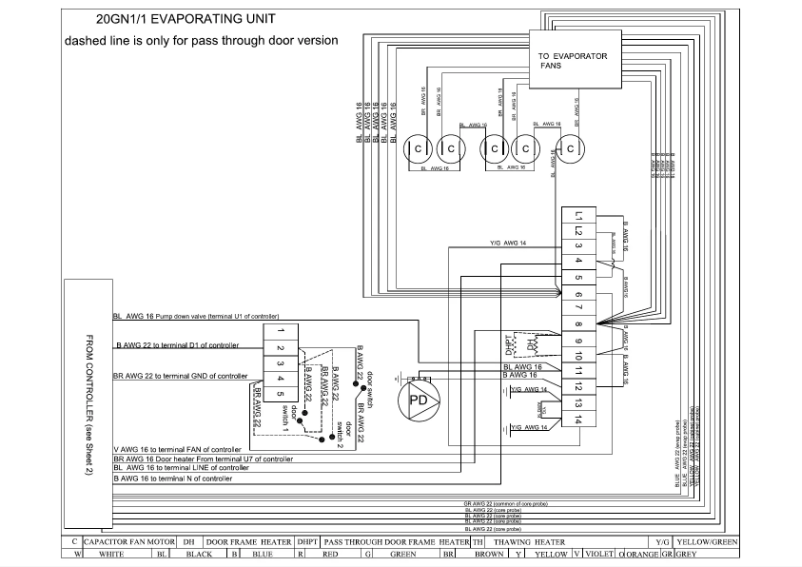
Schéma de câblage : MBM AD21R réfrigérateur

MBM Appareils ménagers Réfrigérateur

Recherchez parmi les 2 pages de la notice : Schéma de câblage Réfrigérateur MBM AD21R pour trouver les informations qu'il vous manque. Vous ne trouvez pas les réponses à vos questions ? Réservez une vidéo assistance en moins de 2 minutes.

Caractéristiques

Marque MBM
Modèle AD21R
Catégorie Appareils ménagers
Type de produit Réfrigérateur
Nombre de pages 2 Pages
Type de fichier
Page / 2
Page 1 de la notice Schéma de câblage MBM AD21R