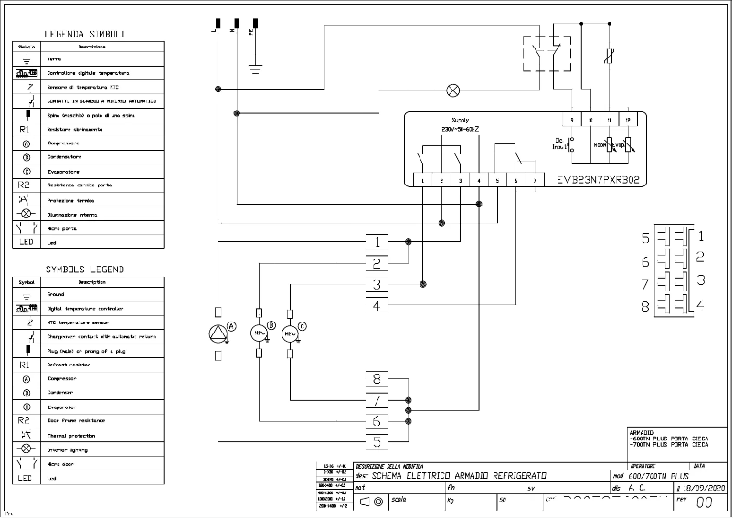
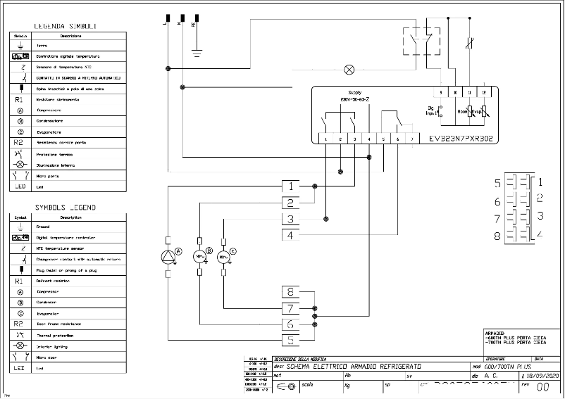
Miniature du produit Schéma de câblage

Schéma de câblage : MBM A70TNFH réfrigérateur

MBM Appareils ménagers Réfrigérateur

Recherchez parmi les 1 page de la notice : Schéma de câblage Réfrigérateur MBM A70TNFH pour trouver les informations qu'il vous manque. Vous ne trouvez pas les réponses à vos questions ? Réservez une vidéo assistance en moins de 2 minutes.

Caractéristiques

Marque MBM
Modèle A70TNFH
Catégorie Appareils ménagers
Type de produit Réfrigérateur
Nombre de pages 1 Page
Type de fichier
Page / 1
Page 1 de la notice Schéma de câblage MBM A70TNFH