Miniature du produit Manuel de l'utilisateur

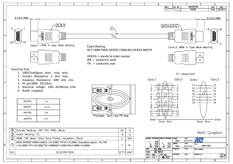
Manuel de l'utilisateur : Intronics AK3790 câble pour ordinateur et périphérique

Intronics Ordinateurs et accessoires Câble pour ordinateur et périphérique

De quoi avez-vous besoin ?

En validant, je déclare accepter sans réserve les Conditions Générales et la Politique de confidentialité de wenony.lu. En validant les informations, je confirme commander un contrat WeNony Premium au tarif de 0,90 € le premier mois, puis au tarif de 49,00 € par mois avec un engagement de 12 mois. Je confirme être habilité à engager l’entreprise dans ces conditions.

Présentation de la notice : Manuel utilisateur Câble pour ordinateur et périphérique Intronics AK3790

Recherchez parmi les 1 page de la notice : Manuel utilisateur Câble pour ordinateur et périphérique Intronics AK3790 pour trouver les informations qu'il vous manque. Vous ne trouvez pas les réponses à vos questions ? Réservez une vidéo assistance en moins de 2 minutes.

Caractéristiques

Page / 1
Page n°1 - Manuel utilisateur Intronics AK3790