Miniatura del producto Manual del usuario

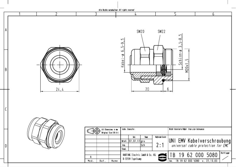
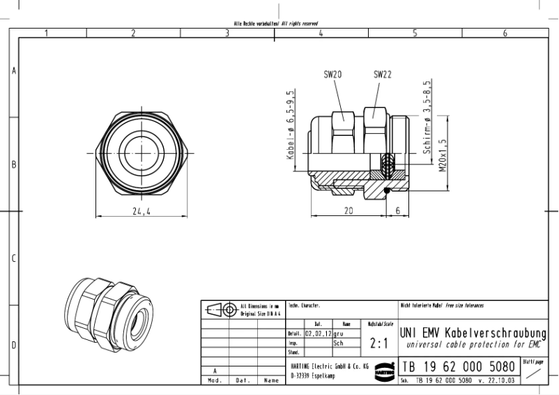
Manual del usuario : Harting 19 62 000 5080 Sin categorizar

Harting Otro Sin categorizar

Busca entre las 1 page del manual: Manual de usuario Sin categorizar Harting 19 62 000 5080 para encontrar la información que necesitas. ¿No encuentras las respuestas a tus preguntas? Reserva una asistencia por video en menos de 2 minutos.

Características

Marca Harting
Modelo 19 62 000 5080
Categoría Otro
Tipo de producto Sin categorizar
Número de páginas 1 Página
Tipo de archivo
Página / 1
Página 1 del manual Manual de usuario Harting 19 62 000 5080